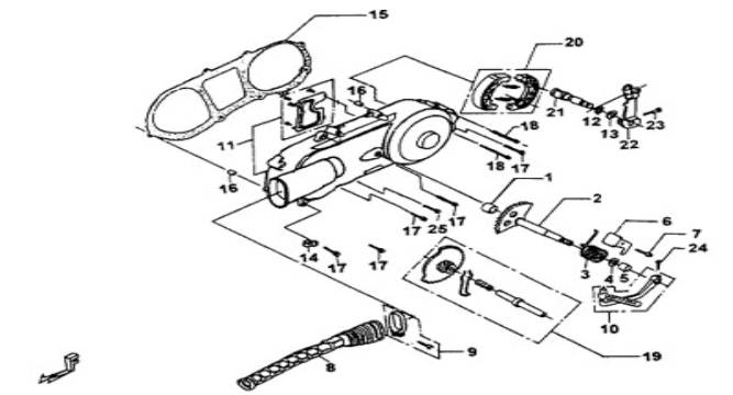
| 11 | KICK STARTER, CLUTCH COVER, REAR BRAKE | BK9-U | |||||
|
|||||||
| ITEM NO. | PART NO. | DESCRIPTION | Q'TY | AMEND | NOTE | ||
| 01 | 400342 | BUSH 12X16X12 | 1 | ||||
| 02 | 400343 | SHAFT COMP., STARTER | 1 | ||||
| 03 | 400347 | SPRING, STARTER | 1 | ||||
| 04 | W99402 | WASHER 14mm | 1 | ||||
| 05 | 400348 | BUSH, KICK STARTERSHAFT 14X18X16 | 1 | ||||
| 06 | 400349 | STOPPER, RETURN | 1 | ||||
| 07 | S24617 | BOLT, FLANGE 6X14 | 1 | ||||
| 08 | 400378 | DUCT, COOLING | 1 | ||||
| 09 | 400379 | CLAMP SET | 1 | ||||
| 10 | 400350 | LEVER ASSY., KICKSTARTER | 1 | ||||
| 11 | 421509 | COVER ASSY., CLUTCH | 1 | ||||
| 12 | 401853 | O RING 11.3X13 | 1 | ||||
| 13 | 401852 | O RING 13.1X10 | 1 | ||||
| 14 | 400164 | CLAMP, DRAIN TUBE | 1 | ||||
| 15 | 421510 | GASKET, CLUTCH COVER | 1 | ||||
| 16 | P40802 | PIN, DOWEL 8X14 | 2 | ||||
| 17 | S24611 | BOLT, FLANGE 6X40 | 5 | ||||
| 18 | S24612 | BOLT, FLANGE 6X65 | 2 | ||||
| 19 | 400334 | IDLER SET, STARTER | 1 | ||||
| 20 | 411102 | LINING SET, REAR BRAKE | 1 | ||||
| 21 | 428503 | CAM, REAR BRAKE | 1 | ||||
| 22 | 402105 | LEVER, REAR BRAKE | 1 | ||||
| 23 | S20604 | SCREW, PAN HEAD M6X40 | 1 | ||||
| 24 | S99602 | BOLT, HEX. HEAD 6X22 | 1 | ||||
| 25 | S24620 | BOLT, HEX HEAD | 1 | ||||