| 7 |
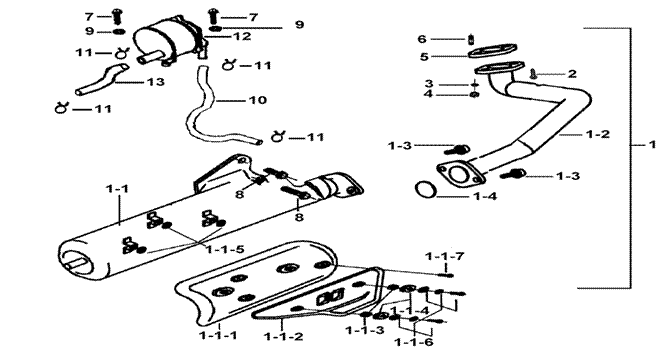
MUFFLER |
|
|
BM1-U |
|
|
| |
|
|
|
|
|
|
|
| |
|
|
|
| |
|
|
|
| |
|
|
|
| |
|
|
|
| |
|
|
|
| |
|
|
|
| |
|
|
|
| |
|
|
|
| |
|
|
|
| |
|
|
|
| |
|
|
|
| |
|
|
|
| |
|
|
|
| |
|
|
|
| |
|
|
|
| |
|
|
|
| |
|
|
|
| ITEM NO. |
PART NO. |
DESCRIPTION |
Q'TY |
AMEND |
NOTE |
|
| 01 |
426196 |
BODY COMP., MUFFLER |
1 |
|
|
|
| 01-1 |
426187 |
BODY |
1 |
|
|
|
| 01-1-1 |
426040 |
COVER, MUFFLER (INSIDE) |
1 |
|
|
|
| 01-1-2 |
426041 |
COVER, MUFFLER (OUTSIDE) |
1 |
|
|
|
| 01-1-3 |
426043 |
SPACER |
2 |
|
|
|
| 01-1-4 |
426044 |
CUSHION, MUFFLER COVER |
2 |
|
|
|
| 01-1-5 |
W99703 |
WASHER 7X16X2 |
3 |
|
|
|
| 01-1-6 |
426042 |
SCREW SET, MUFFLER COVER |
2 |
|
|
|
| 01-1-7 |
S45605 |
SCREW, OVAL HEAD M6X12 |
3 |
|
|
|
| 01-2 |
426197 |
PIPE |
1 |
|
|
|
| 01-3 |
S96803 |
SCREW, SPECIAL |
2 |
|
|
|
| 01-4 |
426104 |
GASKET, MUFFLER |
2 |
|
|
|
| 02 |
S96601 |
SCREW, SPECIAL |
1 |
|
|
|
| 03 |
GA504WS04 |
WASHER, SPRING |
1 |
|
|
|
| 04 |
GA509NT01 |
NUT, HEX. HEAD M6 |
1 |
|
|
|
| 05 |
GA509PK01 |
GASKET, EXHAUST PIPE |
1 |
|
|
|
| 06 |
GA509SC06 |
STUD M6X25 |
1 |
|
|
|
| 07 |
S70607 |
SCREW, SOCKET HEAD M6X20 |
2 |
|
|
|
| 08 |
S20802 |
BOLT, FLANGE |
2 |
|
|
|
| 09 |
W99602 |
WASHER 6.5X12X1.0 |
2 |
|
|
|
| 10 |
426173 |
HOSE, RUBBER |
1 |
|
|
|
| 11 |
426081 |
CLIP |
4 |
|
|
|
| 12 |
426141 |
SECOND-AIR CONTROL ASSY. |
1 |
|
|
|
| 13 |
426085 |
HOSE, RUBBER |
1 |
|
|
|
| |
|
|
|
| |
|
|
|
| |
|
|
|
|
|
|
|
|
|
|
|
|
|