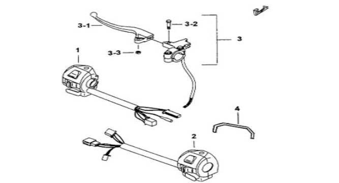
| 32 | HANDLE BAR SWITCH | BH1 | |||||
|
|||||||
| ITEM NO. | PART NO. | DESCRIPTION | Q'TY | AMEND | NOTE | ||
| 01 | 413203 | SWITCH ASSY., HANDLE, LH. | 1 | ||||
| 02 | 413217 | SWITCH ASSY., HANDLE, RH. | 1 | ||||
| 03 | 413201 | LEVER ASSY., HANDLE BAR, LH. | 1 | ||||
| 03-1 | 413210 | LEVER, HANDLE BAR, LH. | 1 | ||||
| 03-2 | S47503 | SCREW, CROSS RECESSED, PAN HEAD M5 | 1 | ||||
| 03-3 | N20501 | NUT, SELFLOCK M5 | 1 | ||||
| 04 | 413911 | WASHER | 1 | ||||