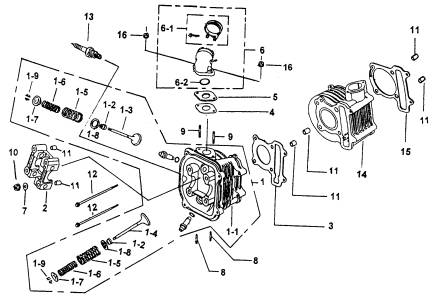
| ITEM NO. |
PART NO. |
DESCRIPTION |
Q'TY |
AMEND |
NOTE |
|
|
|
|
|
|
|
|
| 1 |
421027 |
CYLINDER HEAD
ASSY. |
1 |
|
|
|
| 10 |
N10801 |
NUT, FLANGE 8mm |
4 |
|
|
|
| 11 |
P40001 |
PIN, DOWEL
10X16 |
6 |
|
|
|
| 1-1 |
421024 |
HEAD, CYLINDER |
1 |
|
|
|
| 12 |
S24601 |
BOLT, FLANGE
6X100 |
2 |
|
|
|
| 1-2 |
400066 |
SEAL, VALVE
STEM |
2 |
|
|
|
| 13 |
400020 |
SPARK PLUG
(CR7HSA) |
1 |
|
|
|
| 1-3 |
421025 |
VALVE, INLET |
1 |
|
|
|
| 14 |
421026 |
CYLINDER SET |
1 |
|
|
|
| 1-4 |
421029 |
VALVE, OUTLET |
1 |
|
|
|
| 15 |
421023 |
GASKET,
CYLINDER |
1 |
|
|
|
| 1-5 |
421030 |
SPRING, VALVE,
OUTER |
2 |
|
|
|
| 16 |
N10601 |
NUT, FLANGE 6mm |
2 |
|
|
|
| 1-6 |
421031 |
SPRING, VALVE,
INNER |
2 |
|
|
|
| 1-7 |
400091 |
RETAINER, VALVE |
2 |
|
|
|
| 1-8 |
400092 |
SEAT, VALVE
SPRING |
2 |
|
|
|
| 1-9 |
400093 |
COTTER, VALVE |
4 |
|
|
|
| 2 |
400008 |
HOLDER,
CAMSHAFT |
1 |
|
|
|
| 3 |
421022 |
GASKET,
CYLINDERHEAD |
1 |
|
|
|
| 4 |
400010 |
GASKET,
INSULATOR |
1 |
|
|
|
| 5 |
400011 |
INSULATOR,
CARBURETTOR |
1 |
|
|
|
| 6 |
400012 |
PIPE ASSY.,
INTAKE |
1 |
|
|
|
| 6-1 |
400017 |
CLAMP |
1 |
|
|
|
| 6-2 |
400019 |
O RING |
1 |
|
|
|
| 7 |
W99806 |
WASHER 8.5X16X2 |
4 |
|
|
|
| 8 |
S96801 |
STUD 6X18 |
2 |
|
|
|
| 9 |
S95603 |
STUD 6X50 |
2 |
|
|
|
|
|
|
|
|
|
|
|
|
|
|
|
|
|