| 113 |
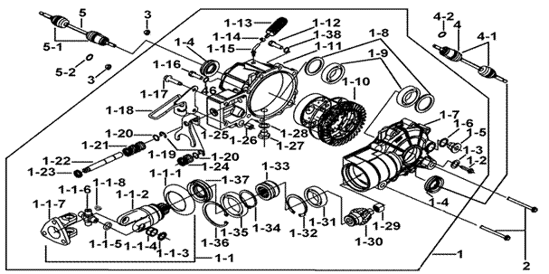
FRONT DIFFERENTIAL ASSY. |
|
FBE-U |
|
|
| |
|
|
|
|
|
|
|
| |
|
|
|
| |
|
|
|
| |
|
|
|
| |
|
|
|
| |
|
|
|
| |
|
|
|
| |
|
|
|
| |
|
|
|
| |
|
|
|
| |
|
|
|
| |
|
|
|
| |
|
|
|
| |
|
|
|
| |
|
|
|
| |
|
|
|
| |
|
|
|
| |
|
|
|
| ITEM NO |
PART NO |
DESCRIPTION |
Q'TY |
AMEND |
NOTE |
|
| 01 |
924655 |
FRONT DIFFERENTIAL ASSY. |
1 |
|
|
|
| 01-01 |
925536 |
UNIVERSAL JOINT ASSY. |
1 |
|
|
|
| 01-02 |
S21605 |
BOLT, FLANGE M6X10 |
1 |
|
|
|
| 01-03 |
W99621 |
WASHER φ6.5Xφ13.2X1.3t |
1 |
|
|
|
| 01-04 |
924379 |
OIL SEAL |
2 |
|
|
|
| 01-05 |
S96808 |
BOLT M18X1.5X16L |
1 |
|
|
|
| 01-06 |
W99823 |
WASHER |
1 |
|
|
|
| 01-07 |
924629 |
HOUSING FRONT DRIVE, FRONT |
1 |
|
|
|
| 01-08 |
W99530 |
SHIM φ45.5Xφ54X0.05t |
2 |
|
|
|
| 01-08A |
W99529 |
SHIM φ45.5Xφ54X0.1t |
2 |
|
|
|
| 01-08B |
W99528 |
SHIM φ45.5Xφ54X0.3t |
2 |
|
|
|
| 01-08C |
W99531 |
SHIM φ45.5Xφ54X0.5t |
2 |
|
|
|
| 01-09 |
925336 |
BEARINGφ30Xφ55X13 |
2 |
|
|
|
| 01-10 |
924617 |
SLIP LIMITED GEAR ASSY. |
1 |
|
|
|
| 01-11 |
924628 |
COVER, FRONT DRIVE |
1 |
|
|
|
| 01-1-1 |
924387 |
DUST GUARD COVER |
1 |
|
|
|
| 01-12 |
S70809 |
SCREW, SOCKET HEAD M8X1.25X40L |
6 |
|
|
|
| 01-1-2 |
924386 |
YOKE ASSY. |
1 |
|
|
|
| 01-13 |
924264 |
CASE, BREATHER |
1 |
|
|
|
| 01-1-3 |
924212 |
“C” CLIP |
4 |
|
|
|
| 01-14 |
R40802 |
CLIP |
1 |
|
|
|
| 01-1-4 |
924647 |
BEARING |
4 |
|
|
|
| 01-15 |
924261 |
EXHAUST PIPE, BREATHE |
1 |
|
|
|
| 01-1-5 |
924648 |
OIL SEAL |
4 |
|
|
|
| 01-16 |
S70810 |
SCREW, SOCKET HEAD M8X1.25X36L |
2 |
|
|
|
| 01-1-6 |
924646 |
JOINT SET, UNIVERSAL |
1 |
|
|
|
| 01-17 |
S21815 |
BOLT, FLANGE M8X1.25X50L |
2 |
|
|
|
| 01-1-7 |
924210 |
YOKE, PROP SHAFT JOINT REAR |
1 |
|
|
|
| 01-18 |
924611 |
BRACKET ASSY, SHIFT |
1 |
|
|
|
| 01-1-8 |
925351 |
GREASE NIPPLE |
1 |
|
|
|
| 01-19 |
R10702 |
"E" RING |
2 |
|
|
|
| 01-20 |
W99218 |
WASHER |
2 |
|
|
|
| 01-21 |
924616 |
SPRING, RETURN |
1 |
|
|
|
| 01-22 |
924614 |
ROD, SHIFT |
1 |
|
|
|
| 01-23 |
924381 |
OIL SEALφ12Xφ20X5 |
1 |
|
|
|
| 01-24 |
924615 |
SPRING, SHIFT |
1 |
|
|
|
| 01-25 |
924613 |
FORK, SHIFT |
1 |
|
|
|
| 01-26 |
P40301 |
PIN, DOWEL |
2 |
|
|
|
| 01-27 |
924765 |
SCREW |
1 |
|
|
|
| 01-28 |
W99303 |
WASHER, DRAIN PLUG |
1 |
|
|
|
| 01-29 |
924384 |
BEARING φ15Xφ21X12 |
1 |
|
|
|
| 01-30 |
925130 |
PINION, DRIVE |
1 |
|
|
|
| 01-31 |
924383 |
BEARING φ32Xφ58X13 |
1 |
|
|
|
| 01-32 |
924606 |
CLIP |
1 |
|
|
|
| 01-33 |
924398 |
SLEEVE, SHIFT (14T) |
1 |
|
|
|
| 01-34 |
R00105 |
CLIP |
1 |
|
|
|
| 01-35 |
924382 |
BEARING φ45Xφ68X12 |
1 |
|
|
|
| 01-36 |
R01301 |
CLIP |
1 |
|
|
|
| 01-37 |
924380 |
OIL SEAL φ52Xφ73X14 |
1 |
|
|
|
| 01-38 |
GA556WS04 |
SPRING WASHER 8.2X3.2X2t |
8 |
|
|
|
| 02 |
S20019 |
BOLT, FLANGE M10X1.25 |
2 |
|
|
|
| 03 |
GA551NT01 |
NUT, SELFLOCK M10X1.25 |
2 |
|
|
|
| 04 |
924650 |
TRANSMISSION SHAFT (R) |
1 |
|
|
|
| 04-1 |
924797 |
BOOT, TRANSMISSION SHAFT |
1 |
|
|
|
| 04-2 |
924785 |
"C" CLIP |
1 |
|
|
|
| 05 |
924651 |
TRANSMISSION SHAFT (L) |
1 |
|
|
|
| 05-1 |
924797 |
BOOT, TRANSMISSION SHAFT |
1 |
|
|
|
| 05-2 |
924785 |
"C" CLIP |
1 |
|
|
|
|
|
|
|
|
|
|
|