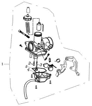
E18 - Carburetor      
E18.jpg
ITEM   PART NO. DESCRIPTION QTY
1 16100-FY20-000 Carburetor Assy 1
2 16144-FY20-000 Pilot Jet #40 1
3 16135-FY20-000 Needle Jet #95 1
4 16163-FY20-000 Gasket 1
5 16143-FY20-000 Main Jet #94 1